Adjustable foot - JPR ISK
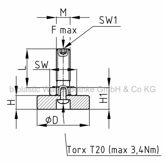
Adjustable feet with hexagonal adjusting screw and hexagon in the thread end, swivel base
Your session has expired, please log in again.
Configure your article. Enter multiple parameters to get the best result.
An error occurred! Please contact our support for help.
Your article results:
-
Order-No. -
Please select more filter properties above to get a selection.
