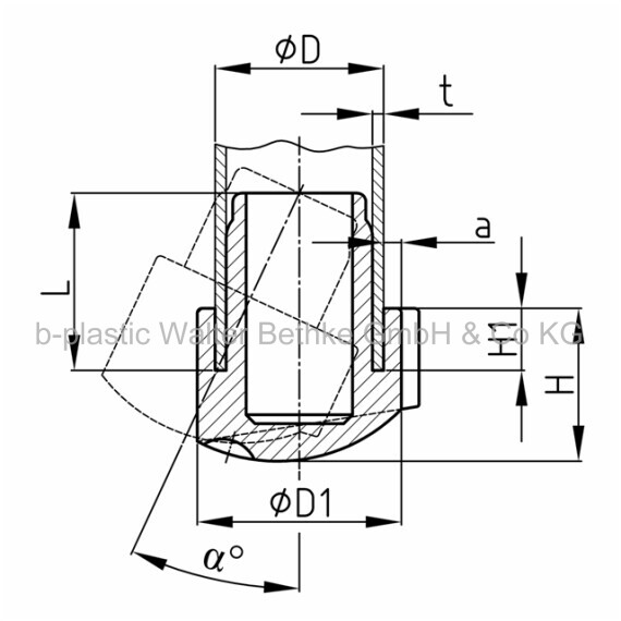
Angled glider - SRS
Inclined lamella glides made of PE for round tubes with variable set-up angle
Your session has expired, please log in again.
Configure your article. Enter multiple parameters to get the best result.
An error occurred! Please contact our support for help.
Your article results:
-
Order-No. -
Please select more filter properties above to get a selection.
