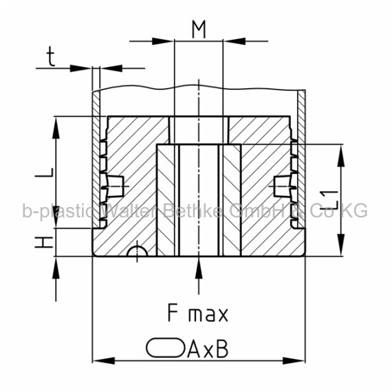
Threaded insert - OG
Threaded plugs made of PA for flat oval tubes with injected high nut
Your session has expired, please log in again.
Configure your article. Enter multiple parameters to get the best result.
An error occurred! Please contact our support for help.
Your article results:
-
Order-No. -
Please select more filter properties above to get a selection.
